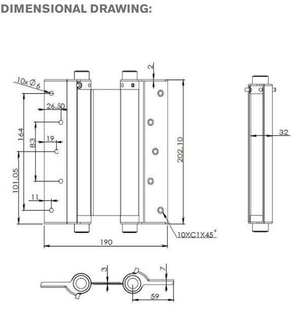
NEWSTAR SD8200 | Hinges | Fast Key Services Ltd